洗铅工艺DCS自动控制系统的设计(含CAD图)

洗铅工艺DCS自动控制系统的设计(含CAD图)(任务书,开题报告,外文翻译,论文说明书11500字,CAD图1张)
摘要
DCS系统的广泛使用越发引起各家企业的注意,特别是中、大型的企业,他们的生产需求量随着市场规模的扩大而扩大,但如今劳动力市场并非占主要地位,廉价劳动力已经逐渐转型为综合性人才,为了满足厂家及客户的需求,DCS自动控制系统性能较好,价格适中的特点已经满足市场需求,并且具有相对应的市场价值。本课题即在科远DCS系统下完成对洗铅工段的自动控制。
本篇文章在洗铅工艺和DCS集散控制系统的背景下,研究洗铅工艺生产过程中DCS自动控制系统的设计,及时了解和掌握洗铅工艺流程中的运行工况、对进程参变量的自动控制实现。在洗铅工段的背景下,将策划控制手段在DCS控制的基础上得以实现,策划整体洗铅工段流程画面,对过程控制进行程序编写,可以完全实现洗铅工段流程自动运行与监控。
以上方案设计完成后,本课题完成了一张监控界面图。
关键词:洗铅工艺DCS控制系统设计研究
ABSTRACT
The widespread use of DCS systems has attracted the attention of enterprises, especially medium and large enterprises, whose production demand has expanded with the expansion of market size, but now the labor market is not the dominant position, cheap labor has been gradually transformed into Comprehensive personnel, in order to meet the needs of manufacturers and customers, DCS automatic control system performance is better, affordable characteristics have to meet market demand, and has a corresponding market value. This subject is completed in the Ke Yuan DCS system to complete the automatic control of the wash section.
[来源:http://www.doc163.com]
This article in the wash lead process and DCS distributed control system in the background, the study of lead production process DCS automatic control system design, to understand and master the process of washing lead in the operating conditions, the process of automatic variables Control implementation. In the background of the wash lead section, the planning and control means can be realized on the basis of DCS control, planning the whole process of washing the lead section, writing the process control, and realizing the automatic operation and monitoring of the process.
After the completion of the above design, the subject completed a monitoring interface map.
Key Words:Lead washing process;DCS control system;Design research;
[资料来源:http://www.doc163.com]





[资料来源:http://www.doc163.com]
目录
摘要 I
ABSTRACT II
第一章绪论 1
1.1 洗铅背景 1
1.2DCS国内外发展现状 1
1.3 NT6000实验控制平台 2
第二章洗铅工艺 4
2.1 洗铅 4
2.2洗铅流程方案 4
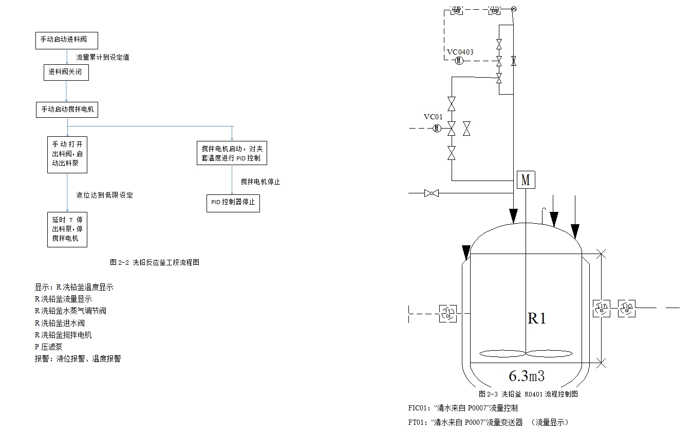
2.2.1 洗铅反应釜 5
2.2.2洗铅热压滤泵 9
2.2.3热洗铅冷却罐 10
2.3闭环系统控制过程 13
第三章DCS集散控制系统 14
3.1 科远DCS系统概念 14
3.1.1 DCS组成部分 14
3.1.2DCS主要功能 15
3.2 DCS系统结构 15
3.2.1DCS分层结构 15
3.2.2DCS硬件结构 16
3.2.3DCS软件结构 17
3.3DCS系统与其他系统比较 17
3.3.1 PLC特点概述 17 [资料来源:https://www.doc163.com]
3.3.2DCS特点概述 17
3.3.3FCS特点概述 18
3.3.4三大系统区别 18
第四章洗铅工艺DCS的程序设计 19
4.1 DCS模块 19
4.1.1I/O模块 19
4.1.2逻辑时序模块 19
4.1.3数学运算模块 21
4.1.4控制算法模块 21
4.1.5控制算法模块参数说明 23
4.2 DCS程序组态设计 23
4.2.1 洗铅釜R1阶段设计 23
4.2.2洗铅热压滤液周转罐阶段设计 25
4.2.3洗铅冷却罐阶段设计 26
4.3 DCS画面组态设计 27
第五章系统调试 29
5.1 CAD图设计 29
5.2监控界面图 30
第六章总结与展望 32
6.1论文总结 32
6.2前景展望 32
参 考 文 献 34
致谢 35
[资料来源:Doc163.com]
